Wilden Pump

Wilden Pump
 





产品目录Original™ 金属泵系列:A.025 - 1/4" (6.35 mm) 金属泵



A.025 - 1/4" (6.35 mm) 金属泵

威尔顿 A.025 - 1/4" (6.35 mm) 金属泵 技术参数
口径:1/4"
最大流量: 
最大工作压力: 
接液部结构材质: 
干吸: 
可通过最大颗粒: 
弹性体: 
各种材质的温度范围
聚丙烯
0°C(32°F) ~ +79°C(+175°F)
碳充乙缩醛
-28.9°C(-20°F) ~ + 65.6°C(+150°F)
聚偏二氟乙烯
-12.2°C(-10°F) ~ + 107.2°C(+225°F)
特氟龙®PFA(½" UPII&UPIII)
-28.9°C(-20°F) ~ + 148.9°C(+300°F)
特氟龙®PFA(½" & 1½")
-28.9°C(-20°F) ~ + 107.2°C(+225°F)

用户手册下载(需安装Adobe Reader才能阅读)
A.025 Metal     文件大小:3103 k




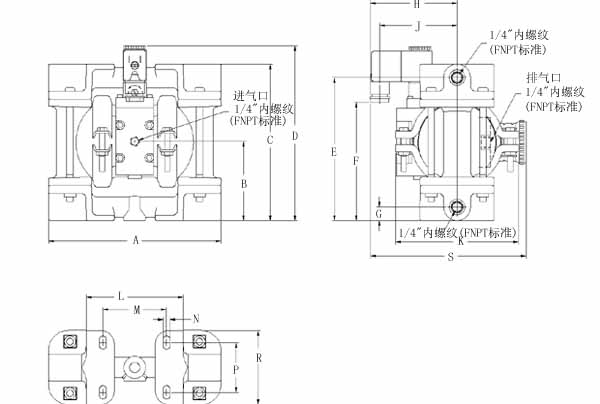
威尔顿 A.025 - 1/4" (6.35 mm) 金属泵 结构图
尺寸 - A.025(金属泵)
序号公制(mm)英制(inch)
A165.16 1/2
B73.02 7/8
C148.45 27/32
D140.55 17/32
E135.75 11/32
F107.23 1/4
G12.71/2
H82.63 1/4
J73.02 7/8
K114.34 1/2
L92.13 5/8
M60.32 3/8
N6.41/4
P46.81 27/32
R69.92 3/4
S147.65 13/16


产品系列 | 技术支持 | 销售网络 | 近期动态
产品搜索 | 关于我们 | 趣味游戏 | 联系我们 | 网站地图 | 返回主页






战略伙伴招募 :: 注册会员

Wilden Pump(威尔顿)中文网站由上海富晖友情维护 © 文字、图片版权归Wilden Pump所有
沪公网安备 31010802001246号     沪ICP备05031482号  电子证书    

在线技术咨询