Wilden Pump

Wilden Pump
 





产品目录Advanced™ 金属泵系列(螺栓式泵):PV400 - 1 1/2" (38 mm) 金属泵



PV400 - 1 1/2" (38.1 mm) 金属泵

威尔顿 PV400 - 1 1/2" (38 mm) 金属泵 技术参数
口径:1 1/2"
最大流量:81GPM (409LPM)
最大工作压力:125PSI (8.6BAR)
接液部结构材质:铝合金、316不锈钢、铸铁、镍基合金
干吸:13.6' (4.2m)
可通过最大颗粒:5/16" (7.9mm)
弹性体:聚氨脂、氯丁橡胶、丁晴橡胶、三元橡胶、
氟化橡胶、SaniFlex™、特氟龙PTFE、Wil-Flex™
各种材质的温度范围
聚丙烯
0°C(32°F) ~ +79°C(+175°F)
碳充乙缩醛
-28.9°C(-20°F) ~ + 65.6°C(+150°F)
聚偏二氟乙烯
-12.2°C(-10°F) ~ + 107.2°C(+225°F)
特氟龙®PFA(½" UPII&UPIII)
-28.9°C(-20°F) ~ + 148.9°C(+300°F)
特氟龙®PFA(½" & 1½")
-28.9°C(-20°F) ~ + 107.2°C(+225°F)

用户手册下载(需安装Adobe Reader才能阅读)
P400-PV400-ADV-MTL-EOM.pdf     文件大小:2530 k




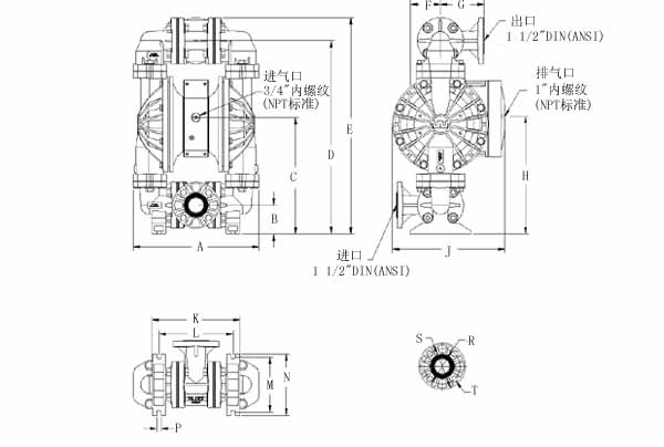
威尔顿 PV400 - 1 1/2" (38 mm) 金属泵 结构图
尺寸 - PV400
(金属泵)
序号公制(mm)英制(inch)
A34313.5
B793.1
C32312.7
D53120.9
E59423.4
F1224.8
G813.2
H32512.8
J31012.2
K28411.2
L2419.5
M1526.0
N1706.7
P100.45
 DINANSI
R110 DIA.4.9 DIA.
S150 DIA.5.0 DIA.
T18 DIA.0.6 DIA.





产品系列 | 技术支持 | 销售网络 | 近期动态
产品搜索 | 关于我们 | 趣味游戏 | 联系我们 | 网站地图 | 返回主页






战略伙伴招募 :: 注册会员

Wilden Pump(威尔顿)中文网站由上海富晖友情维护 © 文字、图片版权归Wilden Pump所有
沪公网安备 31010802001246号     沪ICP备05031482号  电子证书    

在线技术咨询