Wilden Pump

Wilden Pump
 





产品目录Advanced™ 金属泵系列(螺栓式泵):PV800 - 2" (51 mm) 金属泵



PV800 - 2" (51 mm) 金属泵

威尔顿 PV800 - 2" (51 mm) 金属泵 技术参数
口径:2"
最大流量:155GPM (587LPM)
最大工作压力:125PSI (8.6BAR)
接液部结构材质:铝合金、316不锈钢、铸铁、镍基合金
干吸:23.8' (7.3m)
可通过最大颗粒:1/4" (6.4mm)
弹性体:聚氨脂、氯丁橡胶、丁晴橡胶、三元橡胶、
氟化橡胶、SaniFlex™、特氟龙PTFE、Wil-Flex™
各种材质的温度范围
聚丙烯
0°C(32°F) ~ +79°C(+175°F)
碳充乙缩醛
-28.9°C(-20°F) ~ + 65.6°C(+150°F)
聚偏二氟乙烯
-12.2°C(-10°F) ~ + 107.2°C(+225°F)
特氟龙®PFA(½" UPII&UPIII)
-28.9°C(-20°F) ~ + 148.9°C(+300°F)
特氟龙®PFA(½" & 1½")
-28.9°C(-20°F) ~ + 107.2°C(+225°F)

用户手册下载(需安装Adobe Reader才能阅读)
P800-PV800-ADV-MTL-EOM.pdf     文件大小:2330 k




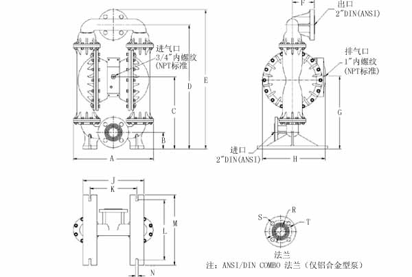
威尔顿 PV800 - 2" (51 mm) 金属泵 结构图
尺寸 - PV800
(金属泵)
序号公制(mm)英制(inch)
A43917.3
B893.5
C39615.6
D67626.6
E75929.9
F1174.6
G39915.7
H35113.8
J34013.4
K25410.0
L22512.8
M27814.9
N150.6
 ANSI/DIN COMBO
P165 DIA.6.5 DIA.
R122 DIA.4.8 DIA.
S20 DIA.0.8 DIA.





产品系列 | 技术支持 | 销售网络 | 近期动态
产品搜索 | 关于我们 | 趣味游戏 | 联系我们 | 网站地图 | 返回主页






战略伙伴招募 :: 注册会员

Wilden Pump(威尔顿)中文网站由上海富晖友情维护 © 文字、图片版权归Wilden Pump所有
沪公网安备 31010802001246号     沪ICP备05031482号  电子证书    

在线技术咨询