Wilden Pump

Wilden Pump
 





产品目录Original™ 塑料泵系列:T2R - 1" (25.4 mm) 塑料泵



T2R  - 1" (25.4 mm) 塑料泵

威尔顿 T2R - 1" (25.4 mm) 塑料泵 技术参数
口径:1"
最大流量:30GPM (113.6LPM)
最大工作压力:125PSI (8.6BAR)
接液部结构材质:聚丙烯、聚偏二氟乙烯
干吸:18' (5.2m)
可通过最大颗粒:1/8" (3.18mm)
弹性体:聚氨脂、氯丁橡胶、丁晴橡胶、三元橡胶、
氟化橡胶、SaniFlex™、特氟龙PTFE、Wil-Flex™
各种材质的温度范围
聚丙烯
0°C(32°F) ~ +79°C(+175°F)
碳充乙缩醛
-28.9°C(-20°F) ~ + 65.6°C(+150°F)
聚偏二氟乙烯
-12.2°C(-10°F) ~ + 107.2°C(+225°F)
特氟龙®PFA(½" UPII&UPIII)
-28.9°C(-20°F) ~ + 148.9°C(+300°F)
特氟龙®PFA(½" & 1½")
-28.9°C(-20°F) ~ + 107.2°C(+225°F)

用户手册下载(需安装Adobe Reader才能阅读)
T2-ORG-PLS-EOM.pdf     文件大小:2000 k




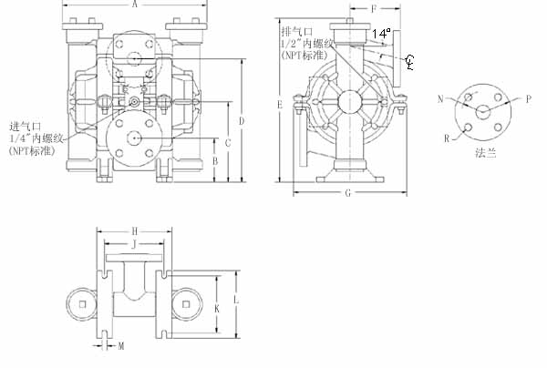
威尔顿 T2R - 1" (25.4 mm) 塑料泵 结构图
尺寸 - T2R
(塑料泵)
序号公制(mm)英制(inch)
A296.111 21/32
B73.82 29/32
C161.86 3/8
D252.29 15/16
E334.213 5/32
F106.34 3/16
G238.19 3/8
H157.26 3/16
J124.54 29/32
K115.14 17/32
L138.15 7/16
M9.53/8
 DINANSI
N42.9 RAD.1 9/16 RAD.
P52.7 RAD.2 1/8 RAD.
R14.3 DIA.5/8 DIA.

* DIN 标准法兰可用于进出口

威尔顿 T2R - 1" (25.4 mm) 塑料泵 性能曲线图
阅读指导 确定您应用需要的流量,计算出总压头(扬程),作图画出纵坐标中压头和横坐标中流量的交叉点。于是供气气压和供气量可自曲线中获得。找出与交叉点最接近的黑色曲线并沿着自左到右的纵坐标,这就是到达您在指定压头下所需流量时必须的供气压力。下一步在最接近交叉点处找到蓝色曲线,并沿之向上,有一个数字指出,这数字表示在达到指定压头下所需的必须供气量。




产品系列 | 技术支持 | 销售网络 | 近期动态
产品搜索 | 关于我们 | 趣味游戏 | 联系我们 | 网站地图 | 返回主页






战略伙伴招募 :: 注册会员

Wilden Pump(威尔顿)中文网站由上海富晖友情维护 © 文字、图片版权归Wilden Pump所有
沪公网安备 31010802001246号     沪ICP备05031482号  电子证书    

在线技术咨询